Особенности и схемы лучевой системы в многоквартирном жилом доме
Главная сложность применения коллекторно-лучевой схемы в многоквартирном доме, в котором теплоноситель подаётся по традиционной вертикальной двухтрубной схеме — это влияние лучевого контура отдельной квартиры на тепловую нагрузку вышерасположенных квартир, в которых эта схема не реализована. Такие квартиры будут недополучать тепло.
Для подключения без ущерба для соседей коллектора в общедомовую систему есть некоторые способы.
Использование в лучевой системе теплообменника
Теплообменник не имеет сопротивления по гидравлике и подключается как простой радиатор, через который теплоноситель проходит без участия циркуляционного насоса.
Тепловые потоки, проходящие через коллекторный контур, в котором установлен теплообменник, не смешиваются с теплоносителем центрального отопления.
Подключение первично-вторичными кольцами
При таком подключении центральная система отопления дома выполняет функцию первичного кольца, а коллекторно-лучевая система отопления играет роль вторичного кольца.
Подключение производится к трубопроводу, идущему от конвектора.
Алгоритм устройства такой врезки следующий:
- Для прямой подачи теплоносителя на коллектор делается первая врезка на расстоянии 30 см от перемычки радиатора.
- Врезается обратная линия контура на расстоянии 60 см от перемычки.
- На врезках монтируются запорные краны.
- Устанавливаются трёхходовой клапан и насос.
- На обратной трубе монтируется клапан, через который теплоноситель поступает лишь в одном направлении.
Горячая вода проходит через коллектор по петлям контура, затем часть её подаётся в обратную трубу центрального отопления, а часть возвращается в коллектор через трёхходовой клапан. Этот клапан отвечает за распределение теплоносителя.
При такой схеме теплоноситель отбирается равномерно, не создавая разряжения в центральном трубопроводе отопления и не изменяя тепловой баланс квартир.
Для врезки в общий стояк отопления жилого дома необходимо индивидуальное проектирование и разрешение управляющей компании.
Критерии выбора
Технические характеристики:
номинальный диаметр DN (в РФ – Ду) – приблизительно соответствует трубе. Считается в миллиметрах или дюймах;
- диаметр посадочного элемента;
- пропускная способность;
- тип крепежа;
- класс герметичности;
- диапазон температуры эксплуатации.
Перед выбором составляется перечень характеристик трубопровода, где будет использоваться обратный клапан.
Базовые параметры, под которые выбирается запорная арматура:
- возможности конструкции для подбора крепления;
- уровень давления;
- размеры участка.
Маркировка
В соответствии с положениями Центрального конструкторского бюро арматуростроения отечественные изделия обозначаются буквенно-цифровой маркировкой:
- тип изделия;
- материал:

тип привода:

материал уплотнителя:

Рекомендованные места установки:
- после насоса, погруженного в скважину или колодец;
- после водомерных устройств;
- перед нагревателем;
- перед каждым сантехническим изделием.
Правила установки
Разные конструктивные особенности, а также характеристики требуют индивидуального подхода, как установить и какой способ выбрать при строительстве или дома. Прежде всего, надо учитывать поток воды по трубопроводу. Для этого на клапане нанесена стрелка, указывающая правильную ориентацию арматуры.
Требования:
- межфланцевые изделия крепятся между фланцами с обязательной герметизацией уплотнителями;
- подъёмные устройства точно ориентируются по вертикали, иначе действие золотника окажется неэффективным;
- муфтовые навинчиваются на резьбу трубы.

Возможные ошибки:
- невнимательность к направлению потока;
- неудовлетворительная герметизация – появляются протечки при закрытом запоре;
- неправильный подбор сечения – возникновение стуков;
- монтаж недалеко от размещения насоса – появление дребезжания;
- много льна для обмотки резьбы – угроза раскола муфты;
- забывчивость при извлечении заглушки или снятии фиксатора запора.
Продлить срок эксплуатации практически в два раза можно за счёт размещения на входе устройства сетчатого фильтра.
Где ставить обратный клапан
Для начала пару слов о том, как обозначается обратный клапан на воду на схемах. Для него существует специальный значок. Это два треугольника, развернутые вершинами друг к другу. Один их треугольников закрашен, один нет. Направление движения рабочей среды указывается стрелкой. В обратном направлении поток закрыт.
Графическое обозначение обратного клапана на схемах
В общем-то, четкого указания, где именно надо ставить обратный клапан, нет
Важно, чтобы он выполнял свои функции, а место его установки — дело вторичное. Надо, чтобы система водоснабжения или отопления работала правильно. А конкретное его место определяете по параметрам системы и по удобству обслуживания
Исключение — ввод воды в квартире. Тут вам четко скажут, обратный клапан ставим перед счетчиком и никак иначе
А конкретное его место определяете по параметрам системы и по удобству обслуживания. Исключение — ввод воды в квартире. Тут вам четко скажут, обратный клапан ставим перед счетчиком и никак иначе.
Где ставить обратный клапан на воду при вводе ее в квартиру — после счетчика
Например, в обвязке бойлера на подающем трубопроводе должен стоять обратный (запорный) клапан. Он предотвращает попадание горячей воды в систему, которое может произойти, когда вода нагреется и этим создаст повышенное давление, которое может «передавить» водопроводное. В таком случае лучше ставить обратник поближе к источнику горячей воды, чтобы не подвергать тепловой нагрузке другие элементы обвязки и трубы холодной воды, которые далеко не всегда сегодня из металла.
На скважине или в колодце с погружным насосом
Если будете искать информацию, где ставить обратный клапан на погружной насос, информация может быть противоречивой. Одни советуют ставить сразу на выходе насоса, другие — на входе в дом или в приямке, если речь идет о скважине. Как ни странно, все три варианта рабочие. Просто для разных случаев.
Место установки обратного клапана в системе водоснабжения выбираем в зависимости от параметров системы и оборудования
Поставить обратный клапан в доме или в приямке над скважиной можно, если вертикальный участок трубопровода не превышает 7 метров. Длина горизонтального участка (если он без наклона) роли не играет. При такой протяженности трубопровода вода не будет стекать обратно в колодец или скважину.
Место установки обратного клапана в системе водоснабжения с погружным насосом
Если зеркало воды находится ниже семи метров (насос тянет воду с глубины более 7 метров), обратный клапан ставим после насоса. Можно сразу (как на фото выше), а можно поставить фильтр, потом обратный клапан. Допустимо установить клапан на пару метров над уровнем воды. Это уже не играет большой роли. Но такой способ установки — на глубине — неудобный для обслуживания. Рано или поздно клапан придется либо чистить, либо менять. Если он в скважине или в колодце, надо все вынимать на поверхность. Сама замена занимает считанные минуты. На то, чтобы открутить резьбу, снять старый, проверить/почистить или поставить новый, нужно минут пять. А вот все подготовительные работы — это тяжело, мокро и неприятно. Так что по возможности, переносим обратный клапан в дом или приямок.
С насосной станцией
Как уже говорили, некоторые модели насосных станций имеют обратный клапан. Нужно ли ставить второй на всасывающем трубопроводе? Снова-таки, если поднимается вода менее чем на 7 метров, можно обойтись без него или поставить на входе в дом.
Для насосной станции лучше обратный клапан с фильтром
Если вертикальный подъем больше, ставить надо на входе. Зачем? А потому что при выключенном насосе вода будет стекать обратно. И при включении, качать будет воздух, и только потом воду. И сразу скажем, что далеко не все станции нормально переносят такой режим. Поэтому если слышите, что вода после выключения насоса возвращается в колодец или скважину, лучше переделайте систему.
Обратный клапан с фильтром для установки с насосной станцией
Как видите, в данной схеме обратный клапан устанавливается на конце трубы. Так как он чувствителен к загрязнениям, лучше воду предварительно очистить. Можно накрутить стандартные фильтры, а можно поставить со встроенной сеткой. Какой вариант лучше? Наверное, все-таки, первый. Во-первых, можете собрать последовательно столько фильтров, сколько надо, чтобы подавать относительно очищенную воду. Во-вторых, менять один фильтр или один клапан дешевле, чем фильтр с клапаном. Возни при монтаже больше, но не критично.
Советы и рекомендации специалистов
Чтобы не допустить ошибок при монтаже, рекомендуем прочитать советы специалиста:
- Направление стрелки на корпусе клапана и направление потока жидкости в водопроводе должны совпадать.
- Устройство надо монтировать в тех местах, где есть удобный доступ. Это необходимо, чтобы в дальнейшем можно было провести осмотр или ремонт обратного клапана.
- Перед монтажом проверьте устройство на герметичность.
- У клапанов из стали и латуни более длительный период эксплуатации. Так как они более устойчивы к коррозии и перепадам давления.
- Устанавливать следует после прибора учета.
Чтобы обратный клапан для воды, установленный в системе водоснабжения мог правильно функционировать длительный срок. Необходимо производить монтаж по правилам, указанным в инструкции
Источники
- https://vodosnabdom.ru/vodoprovod/obratnyy-klapan
- https://sovet-ingenera.com/vodosnab/nasosy/obratnyy-klapan-dlya-nasosa.html
- http://met-all.org/oborudovanie/prochee/obratnyj-klapan-na-vodu-dlya-chego-nuzhen-gravitatsionnyj.html
- https://goload.ru/pravila-ustanovki-obratnyh-klapanov-na-nasosah/
- https://diy.obi.ru/articles/nyjna-li-ystanovka-obratnogo-klapana-dlya-vodi-i-kakoi-lychshe-vibrat-21700/
- http://okanalizacii.ru/vodosnabzhenie/obratnyj-klapan-na-vodu.html
- https://banya10.ru/kotly/obratnyj-klapan-do-ili-posle-nasosa.html
- https://NiceSpb.ru/prisposobleniya/kak-ustanovit-obratnyj-klapan-na-nasos.html
- https://rosrealt.ru/vladimirskaya-oblast/skvazhiny-na-vodu-zachem-stavit-obratnyj-klapan
- https://belamos.net/poleznoe/skvazhinnyy-nasos-s-obratnym-klapanom-montazh-i-sposoby-primenen
- https://nasosovnet.ru/producers/klapan-dlya-nasosa.html
Правила монтажа

Правила монтажа
Осуществляя установку обратного клапана необходимо учитывать несколько важных моментов:
- Изделие ставится только по направлению течения жидкости. Для облегчения выбора правильной стороны на корпусе клапана имеется специальная маркировка в форме стрелки.
- Для лучшей фиксации устройств допустимо применять паронитовые уплотнители, но только если они не сужают проходной диаметр трубы, в противном случае давление на систему будет чрезмерно повышенным.
- Деталь ставится таким образом, чтобы прочие части конструкции трубопровода не создавали дополнительной нагрузки на её корпус.
- Перед запорным устройством желательно установить специальную сетку для первичной очистки теплоносителя. Она будет задерживать крупные частицы, которые могут ослабить герметичность агрегата при попадании в механизм.
Для магистралей с принудительной циркуляцией можно использовать любые виды обратных клапанов, а для гравитационных схем применимы только лепестковые модели поворотного типа, не имеющие пружины.
Необходим монтаж клапана и на схемы отопления с байпасом. Как правило, они создаются для перехода с гравитационной циркуляции на искусственную. Клапан фиксируется на байпас в положение параллельное циркуляционному насосу.

Схема отопления с байпасом
Запорную арматуру также рекомендуется устанавливать на систему подпитки. Это позволит не допустить опустошения трубопровода в различных ситуациях. Например, открытие крана на трубе подпитки для повышения давления, если в это время водоснабжение заблокировано, может привести к полному осушению системы и отключению котла.
Имеет значение также выбор правильно клапана. Для блокировки нежелательных потоков между расположенными рядом контурами следует ставить лепестковые либо дисковые агрегаты
Первый вариант будет создавать меньшее сопротивление, что также важно учитывать при монтаже
Мнение эксперта
Гребнев Вадим Савельевич
Монтажник отопительных систем
В сборке байпасного узла лучше задействовать шаровую модель клапана. Она обладает минимальным гидравлическим сопротивлением. Для системы подпитки разумнее применять дисковые устройства с хорошим запасом рабочего давления.
Обратный клапан требуется не для всех типов отопительного оборудования. Но он необходим для формирования байпасных схем, многоконтурных систем. При выборе следует учитывать характеристики и особенности отдельных моделей, а также варианты их подключения.
Принцип работы и виды клапанов
Задача любого 3-ходового вентиля – подать в магистраль воду требуемой температуры путем смешивания либо разделения 2 потоков. Соответственно, элемент оснащен тремя выходами, один из которых всегда открыт, а два других полностью или частично перекрываются в процессе работы. Отсюда и название крана – трехходовой (иногда еще говорят «трехходовый», что не есть правильно).

По способу приготовления теплоносителя нужной температуры термостатические клапаны делятся на 2 группы, изображенные на фото:
- Смесительные. В них подается 2 потока воды – горячий и охлажденный (входы обозначают буквами «А» и «В»), а из третьего патрубка (маркировка «АВ») идет смесь установленной температуры. На латунном корпусе стоит метка в виде сходящейся с двух направлений стрелочки.
- Разделительные или распределительные. Поступающий теплоноситель делится на 2 потока регулируемой величины. Маркировка на корпусе – 2 расходящиеся стрелки либо буквы «А», «В» на выходных патрубках и «АВ» на входе.

По принципу действия трехходовые краны тоже делятся на два типа – седельные и шаровые. Устройство первых похоже на обычные водопроводные вентили, только вместо резьбового штока используется нажимной. На нем закреплена тарелка, движущаяся между двумя седлами и перекрывающая 2 прохода поочередно. Нажатие на шток осуществляется тремя способами:
- встроенным термоэлементом
- термоголовкой с выносным температурным датчиком
- сервоприводом.
Как это происходит, показано на схеме и подробно расписано в другой нашей публикации.

Шаровые термосмесительные клапаны работают по принципу таких же кранов, только с тремя выходами. Управляются вручную или от электропривода, вращающего шток по команде автоматики. Элементы являются полнопроходными и отличаются высокой пропускной способностью, а значит, меньшим гидравлическим сопротивлением. Недостаток – зависимость от напряжения в электросети и необходимость установки блока бесперебойного питания (ИБП).

Обратный клапан на воду своими руками
Сборка обратного клапана своими руками теоретически возможна. Расходный набор фитингов покупают в сантехническом отделе ближайшего магазина хозяйственных принадлежностей.
Для воплощения творческих замыслов потребуется:
- тройник с внутренней резьбой (корпус обратного клапана);
- муфта с наружной резьбой (формирует седло для затвора);
- стальная пружина достаточной жесткости, подходящего диаметра и длины (для свободного хода витков внутри тройника);
- стальной шарик, диаметр которого немного меньше условного прохода тройника;
- глухая заглушка — упор для пружины («папа»);
- уплотнитель резьбового соединения (фум, лен);
- набор сантехнических ключей.
Поток воды входит со стороны муфты и меняет направление на выходе под углом 90°.

Схема сборки пружинного обратного клапана своими руками
Сложность самостоятельной сборки обратного клапана заключается в выборе исполнительного механизма и деталей. Если герметичность соединений обеспечит опыт и навыки производства сантехнических работ, то качество комплектующих деталей гарантировать сложно.
Для исполнительного механизма заводского обратного клапана применяют специальную пружинную сталь. Движение подпружиненных запорных дисков дублирует направляющий шток. Материалы для изготовления клапана обладают совместимостью в процессе работы оборудования. Технические параметры изделий соответствуют требованиям, указанным в общепринятых нормативных документах. Предприятие-изготовитель предоставляет гарантию на выпускаемую продукцию.

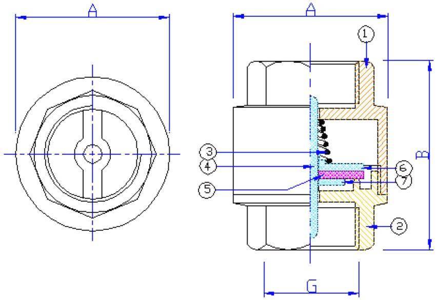
Размеры и принцип работы муфтового пружинного обратного клапана: 1 и 2 — корпус; 3 — пружина; 4 — пластиковый шток; 5 — уплотнитель; 6 — верхняя тарелка; 7 — нижняя тарелка; А — 34,5-79 мм; В — 46-80,5 мм; G — 1/2-2?
Выбор запорного клапана на канализационную трубу
Перед тем, как приобрести запорное приспособление, необходимо внимательно проанализировать особенности функционирования системы канализации в собственной квартире или доме. С учетом ее специфики и следует делать выбор.
Определяясь с моделью обратного клапана, нужно обратить внимание на ряд характеристик:
- материал изготовления;
- диаметр раструбов;
- размеры устройства;
- сложность процесса установки;
- качество изделия и наличие гарантии;
- стоимость.
Кстати, функциональность и надежность клапана от цены не зависят. В данном случае следует ориентироваться на собственные финансовые возможности. Например, нет смысла в покупке дорогостоящей модели с электрическим двигателем для установки в дачную канализационную систему, смонтированную из дешевых пластиковых труб.
Из всех вышеперечисленных характеристик самым важным параметром является диаметр раструбов
Именно на него нужно обращать внимание в первую очередь, поскольку он должен совпадать с сечением трубы канализации, в которую запланирован монтаж обратного клапана.. Неправильным решением считается покупка устройства с большим или меньшим диаметром и использование специальных переходников, в результате чего будет нарушен отлаженный механизм функционирования канализации и может измениться пропускная способность трубопровода.
Неправильным решением считается покупка устройства с большим или меньшим диаметром и использование специальных переходников, в результате чего будет нарушен отлаженный механизм функционирования канализации и может измениться пропускная способность трубопровода.
Установку общего клапана применяют только для небольшого дома – изделие на 110 или 150 миллиметров решит все проблемы, но для многоквартирных зданий такой вариант не подойдет. Лучше в этом случае предусмотреть монтаж устройства на каждую ветку трубопровода, подведенную к сантехническим предметам. То есть, следует поставить обратный клапан для трубы канализации 50, 40 или 32 миллиметра.
Обратные клапаны производят из тех же материалов, что и трубную продукцию – это:
- чугун;
- пластик;
- бронза;
- сталь, в том числе и нержавеющая.
Используются и другие материалы, но гораздо реже. Из тех, что встречаются чаще, желательно выбирать тот же, что применялся для труб, которые задействованы при обустройстве канализационной системы в домовладении или квартире. Например, не следует врезать в чугунный трубопровод запорное устройство из пластика и наоборот. Кстати, пластиковые модели самые доступные по стоимости.
Когда места совсем мало, можно использовать межфланцевые модели устройств. Чтобы их установить, нужны будут лишь уплотнители. Если решено для монтажа трубы с обратным клапаном для канализации, пригласить сантехника, нужно учитывать, что стоимость его услуг зависит от сложности выполнения работ.
Когда предстоит устанавливать простое пластиковое изделие, то справиться с задачей сможет домашний мастер при помощи минимального набора инструментов. Перед тем, как покупать устройство, его нужно внимательно осмотреть, взяв в руки, чтобы убедиться, что ничего в нем не болтается и не скрипит.
В торговой сети необходимо попросить продавца-консультанта предоставить гарантию компании-производителя. Если изготовленное в заводских условиях устройство качественное, тогда к нему всегда прилагается гарантийная документация и инструкция, описывающая правила установки.
Автоматический воздухоотводчик
На рынке представлены в основном итальянские и немецкие модели автоматических воздушников. Это – Caleffi, Pettinaroli, Valtec, Watts, Oventrop и Flamco. В основном встречаются воздушные клапаны так называемого поплавково-клапанного типа.
Конструкция
В корпусе из латуни или нержавеющей стали находиться поплавок. К нему одним из краев присоединен простейший шарнирный механизм, который имеет название «коромысло». К другому краю механизма прикреплена игла (стержень). Когда корпус заполнен водой, то игла находится в спокойном состоянии и клапан остается перекрыт. Но как только в корпусе воздухоотводчика накапливается воздух, то уровень воды, а вместе с ним и поплавок, опускается. Игла вместе с «коромыслом» приходит в движение. Когда игла заходит в подпружиненный золотник, то нажимает на шток, который перемещаясь, открывает отверстия для выпуска воздуха. Так работает автоматический воздушник.

Чтобы была возможность снять автоматический воздухоотводчик, не опорожняя всю систему, его резьбовую часть (G1/2″, G1/4″) присоединяют к трубе отопления через клапан-отсекатель.
Это несложное устройство представляет собой бобышку с пластиковой заслонкой. При ввинчивании воздухоотводчика заслонка автоматически открывается, при вывинчивании — закрывается.
При монтаже воздухоотводчика используют обычный рожковый ключ, нижняя часть корпуса воздушника выполнена в форме шестигранника. Во время установки колпачок воздушного ниппеля должен быть перекрыт.
Неисправности клапана и способы их устранения
то воду не сливают
Чтобы автоматический воздухоотводчик не засорялся, имеет смысл поставить непосредственно перед ним механический фильтр.
Очень часто воздухоотводчик делают разборным. Соединение корпуса и крышки происходит через специальное кольцо. Если оно разрушается, то это приводит к протечке. Купить такое кольцо в розницу вряд ли получиться. Проще воспользоваться фум-лентой или силиконовым герметиком.
Если воздушник смонтирован с отклонением от вертикали, то он будет подтекать. Тут одно спасение — демонтировать, заглушить штуцер и установить в новом месте строго вертикально.
Причиной течи может быть перекосившийся поплавок. Его легко поправить самому, при разборке.
Особенности конструкции
Материал корпуса
Самым распространённым материалом из которого делают корпус обратного клапана латунь. Данный материал обладает высокой устойчивостью к воздействию химических веществ, которые могут находится в воде (минеральные соли, кислород, соединения железа, марганец сера и другие).
титан, чугун, сталь, бронза в основном применяется в промышленных системах
Пластик применяют в полипропиленовых трубопроводах с температурой воды до 90 градусов
Резиновая или силиконовая уплотнительная прокладка.

Устройство обратного клапана
Затворный элемент
Бывает в форме шара, конуса, «тарелки». Также в насосных станциях и в системах водоснабжения используются двухстворчатые обратные клапаны. У них затвор в форме двух полукруглых фрагментов. Чаще всего изготовлен из латуни
Возвратный механизм.
Что бы вернуть затвор закрытое состояние, в устройстве имеется пружина
Для изготовления пружины (важного элемента затвора) чаще всего используют нержавеющую сталь. Но также есть модели где под давлением затвор поворачивается на шарнирах
Монтаж в основную магистраль
Установка обратного клапана на воду в главный трубопровод в доме производится после насоса (при наличии) и после водосчетчика. Нужно заметить то, что принцип монтажа во многом зависит от типа выбранной вами конструкции.
Для муфтовых металлических вариантов можно воспользоваться сваркой или резьбовыми соединениями. Оба варианта достаточно надежны в фиксации. Большинство специалистов не отмечают данные установки высокой надежность, но, тем не менее, они весьма функциональны.
Ели же решили установить межфланцевый механизм, предусматривается технологию его закрепления в трубопроводе между двумя пластинами. Стоит отметить, что пластины должны быть приварены к трубам отдельно, такой же способ установки практикуется и для насоса, но все крепления должны делаться строго после водомерного счетчика.
Шаровый обратный клапан является одной из разновидностей фланцевого, который работает с помощью шарикового затвора
Его крепление должно осуществляться только в подходящих условиях, кроме этого очень важно соблюдать рабочее устройство обратного клапана для воды.
Главное правило монтажа – прикрутить клапан в правильном направлении. Для того чтобы облегчить эту задачу, на корпус устройства наносится стрелка, которая показывает направление движения воды через клапан.

Мы рассмотрели, для каких целей нужен клапан на воду, его принцип работы, и разобрали разновидности и особенности клапанов этого вида. Эксплуатация этих устройств способна предотвратить аварийные ситуации в отопительных и водопроводных системах, и кроме этого упростить работу насосных станций и водяных насосов. Такая сантехника является незаменимой и всегда пользуется спросом.
Где нужно устанавливать
- При необходимости обратный клапан устанавливают там, где нужно обеспечить движение потока в одном направлении.
- После счетчика воды, для защиты от гидравлического удара
- На трубы горячей и холодной воды при одновременном использовании. Из-за разности давления возможно перетекание через смеситель
- На входе водонагревателя во избежание выхода нагревшейся воды в систему холодного водоснабжения
- Перед насосом или насосной станцией для предотвращения оттока воды в случае отключения электричества или поломки
- На самом входе всасывающей трубы
- В системе защиты от проточек посудомоечной и стиральной машины
Как правильно установить
Самая простая установка обратного клапана через муфту с резьбой. Подходит для монтажа в системе водоснабжения квартиры и частного дома.
Порядок работ (инструкция пошагово)
Даже самая надежная запорная арматура со временем выходит из строя. Поэтому необходимо знать, как самому снять обратный клапан.
- Сначала нужно кранами перекрыть поток воды
- при необходимости слить из системы
- Потом откручиваем гайки.
- Демонтируем фланцы или фитинги
- Снимаем обратный клапан.
- Если есть возможность меняем вышедшие из строя детали (например, пружину)
- Собираем в обратном порядке.
Отличительной характеристике конструкции и назначение клапана обратного типа
Приспособление по размеру небольшое, однако без него поддерживать водонапор в системе не представляется возможным. Оно принадлежит к той сантехнической арматуре, которая предназначается предупреждать изменение направления потока жидкости. Можно повстречать пневматические водонапорные установки, в моделях которых заложен обратный затвор. В большинстве случаев он комплектуется со всасывающим шлангом. Но большинство изделий поставляется без данной детали, ее приходится покупать отдельно. Рабочий принцип аналогичен известному многим клапану вентиляции: пропускает поток в одном направлении и блокирует в ином.
Имеется очень и очень много видов обратных клапанов. Для использования в бытовых целях применяются:
- Пружинные муфтовые. Состоят из 2-ух частей, объединенных резьбой и установленной между ними прокладкой из резины.
- Аналогичные, однако с латунным золотником, имеющим сферообразную форму. Выделяются большой пропускной способностью.
- Комбинированные пружинные, включающие воздухоотводчика, через который стравливают воздух. Благодаря аналогичным устройствам становится проще обслуживание системы.
- Пружинные с полипропиленовым корпусом. Ставят на водомерный узел из того же материала.
Место монтажа: подающая магистраль, ввод в независимую систему конкретно за насосом или перед ним. В зависимости от размещения обратные клапаны бывают донными и трубопроводными. Первые предохраняют от возвратного тока воды, поднятой из источника, когда оборудование выключено. Вторые предохраняют падение давления в системе. Если в начале всасывающей трубы не стоит клапан, то когда насос остановится, вода течет назад, в магистрали появляются воздушные пробки. При запуске «досуха» приходят в негодность уплотнители, после перегорает подмокший электрический двигатель.
Современные помпы защищены от подобных грозных последствий, а старые модели от этого не защищены. Но все равно после каждой остановки станции нужно будет заливать воду – так она устроена. Установка арматуры запорной на трубе забора обязательна. Нужно собственно это простое устройство которое работает механически, из-за того что никакая электроника не в состоянии одолеть силу земной тяжести, под влиянием которой жидкость течет из труб, если не стоит клапан обратный.
Трубопроводная арматура запорного типа играет несколько иную роль. Она предназначается в значительной степени оберегать не насос, а систему распределения домашней воды. Закрывая поток, не даёт возвратиться в мембранный бак, поддерживая напор. Монтаж насосной станции без клапана обратного типа на раздаче вызывает гидроудары, работу устройства во внештатном режиме. Установка затвора увеличивает надежность и результативность провода воды, увеличивает рабочий срок сантехоборудования, приборов которые используются в домашних условиях.
Хитрость с водяной станцией в доме
Размеры обратных клапанов зависят от области использования:
- обыкновенный – применяется почти что во всех системах водообеспечения;
- очень маленький – ставится в середине отрезков трубы водяного счетчика;
- не очень большой – располагают на выходе учетного прибора;
- большой – выполняют из чугуна, используются в промышленных системах.
Отливают деталь из латуни: металл устойчив к влиянию солей, минералов и кислот, которые растворены в воде. Материалом для иных элементов служит медь и цинк или специализированные составы полимера. Все прокладки резиновые или силиконовые. Также реализовываются устройства из нержавейки. Они выделяются большой ценой из-за прочности и очень высокой коррозионные стойкости. При возможности приобрести такую деталь не нужно смотреть на стоимость – она служит верой и правдой. Латунную приходится менять или ремонтировать очень часто.
Область использования не исчерпывается станцией с насосом. В бытовых целях клапан обратный применяется:
- на стояках горячей и холодной воды, если жилая площадь в многоэтажке;
- в нагревательных устройствах – электрический водонагреватель, электрическая или колонка газовая;
- для местного отопления приватного дома;
- ими оборудуется канализация для устранения опасных ситуаций.
Классификация по способу монтажа
Фланцевый клапан
При таком типе устройства обратный фланец и фланец на подающей части привариваются к корпусу клапана и получается единая конструкция.
В основном такой тип клапанов используется в промышленных системах для труб большого диаметра.
Из-за больших размеров может стать причиной гидравлического удара, так как в момент закрытия в системе создается повышенное давление. Что бы избежать этого в системах используют затворы безударного типа с плавным закрытием.
Преимущества возможность работы в системах с загрязнением воды. Применение на магистральных трубопроводах, у которых большие диаметры труб.
Межфланцевый
Эти устройство практически не имеют приспособления для крепежа. Сам клапан монтируется между двумя фланцами, на концах соединяемых труб. В местах установки размещают специальный уплотнитель. После этого фланцы стягивают между собой резьбовыми соединениями (болтами или шпильками).

При правильном монтаже, клапан будет надежно зафиксирован. По надежности этот тип соединения почти не уступает фланцевому.
Муфтовый
Самый распространённый в бытовом водопроводе.
При таком подключении клапан присоединяется к трубе при помощи муфты с резьбой.

Плюсы не нужно использовать дополнительные крепежные элементы. Не подходит для труб с большим диаметром.
Возможные ошибки и проблемы при установке
Устройство может выйти из строя из-за ошибок при монтаже.
В процессе установки обязательно соблюдать инструкцию
Желательно раз в месяц проводить осмотр на предмет неполадок
Возможные проблемы:
Отсутствие потока воды
Неправильная установка. Стрелка показывает направление потока.
Что делать: Разобрать и развернуть клапан
При монтаже не извлекли заглушку или фиксатор затвора. Это приведет к тому что устройство не будет пропускать жидкость
Решение: Демонтировать, извлечь заглушку или фиксатор
Клапан плохо держит,
негерметично перекрывает.
Возможно попадание твердой частицы, которая не даёт полностью перекрыть проход.
Что предпринять: Для начала попробовать вымыть попавший сор водным потоком. Нужно несколько раз открыть и закрыть ближайший запорный кран. Если не помогло, разобрать обратный клапан, хорошо промыть и смонтировать обратно
Лопнула резьбовая муфта.
Такое бывает при большой нагрузке в трубопроводе, бракованном изделии или намотано слишком много уплотнительного материала
Что делать: Можно исправить только заменой изделия
Постукивания
После установки обратного клапана слышны постукивания. Такое может произойти из-за большего диаметра клапана. Еще вариант: установлен слишком близко к насосу.
Решение: в первом случае приобрести устройство с меньшим диаметром. Во втором переставить в более подходящее место.





































