Как работает зарядное устройство для шуруповерта
Принцип работы зарядного устройства для разных аккумуляторов шуруповертов выглядит следующим образом:
- При подключении устройства в сеть, напряжение в 220В проходит через предохранитель.
- Переменное напряжение идет на понижающий трансформатор. Значение вольтажа преобразуется до 18.
- Заряд попадает на диодный мост.
- Происходит выпрямление и переход на конденсатор С1, его емкость составляет 330 мкФ. Вольтаж преобразуется до 24В.
Реле замыкается после включения по нажатию кнопки. Аккумулятор начинает заряжаться на выходе сетевого выпрямителя. Среднее время полной зарядки АКБ в шуруповерте – 50-60 минут. Это среднестатистические показатели, которые распространяются на аккумуляторы 12, 14 или 18 вольт.
Ремонт
Так же, как и переделка, ремонт зарядного устройства для шуруповерта требует наличия определенных знаний в области радиотехники. Без наличия опыта можно заменить соединительные шнуры питания и предохранители. Стоит отметить, что такие неисправности занимают одно из основных мест по частоте. Отсутствие заряда и индикации питания обычно связаны с обрывом проводов или перегоранием предохранителя. Обе неисправности выявляются путем прозвонки при помощи омметра.
Более серьезный ремонт зарядки шуруповерта, особенно в дорогих конструкциях, затруднен отсутствием принципиальной схемы.
Важно! Самостоятельный или неквалифицированный ремонт зарядных устройств для литий-ионных аккумуляторных батарей чреват воспламенением и даже взрывом аккумулятора, поскольку батареи такого типа крайне чувствительны к режиму зарядки
Правила эксплуатации
Каждый человек перед использованием шуруповерта должен ознакомиться с правилами его эксплуатации. Выделяют несколько рекомендаций, которых надо придерживаться:
- работать надо только в устойчивой позе, следя за положением рук и ног;
- если приходится вкручивать шурупы на высоте, лучше использовать стремянку;
- каждые полчаса надо делать перерыв, чтобы инструмент остывал;
- при выполнении сверления надо закреплять заготовку, чтобы она была неподвижной.
Еще одно важное правило, которого следует обязательно придерживаться – регулярная проверка всех узлов. Перед работой надо осматривать шуруповерт, чтобы убедиться в отсутствии повреждений
Способы модификации
Использование блока питания от старого ноутбука + (Видео)
Батарея для ноутбука вполне сгодится для внедрения блока питания для шуруповерта.
Последовательность действий:
- Полностью разбирается корпус шуруповерта. Старый источник убирается, проводки разбираются паяльником.
- Подключение проводки нового блока к проводке старого, которая удерживала прошлый. Соблюдайте полярность!
- Активировав кнопку «пуск», проверить работоспособность шуруповерта, а также правильность подсоединения.
- Корпус шуруповерта предусмотрен отверстием, куда помещается штекер с разъемом для зарядки. Теперь инструмент не только работает от 220в, но и подзаряжается как ноутбук (компьютер).
- Новый источник питания устанавливается в середине с помощью клея.
- Другие корпусные элементы возвращаются обратно на место. Вот и все, можно приступать к работе!
Автомобильный аккумулятор + (Видео)
Аккумулятор может служить отличным вариантом для подключения шуруповерта, особенно если речь идет о работах вдали от электросети. Для реализации задуманного, вам необходимо отсоединить от рабочего инструмента зажимы и запитать к «аккуму». Предостережение! Не рекомендуется использование источника в длительном режиме!
Сварочный инвертор + (Видео)
Для превращения старой конструкции в блок питания, нужно проделать некоторое усовершенствование, а именно добавить вторичную катушку. Достоинство инвертора, если сравнивать с батареей ноута сразу заметно. Конструкция дает возможность получить требуемое напряжение + силу тока на выходе. Метод хорош для тех, кто разбирается в радиотехнике.
Создание трансформаторной катушки + (Видео)
Также существует и другая технология трансформации аппарата в сетевой прибор. Основан на производстве передвижного блока питания. К шуруповерту подсоединяется эластичный провод, на противоположной стороне которого расположена вилка.
Правда, потребуется смастерить отдельный блок питания либо взять готовый трансформатор, оснащенный выпрямителем
Важно, чтобы его параметры совпадали с характеристиками инструмента
Незнающему человеку будет сложно выполнить трансформаторные катушки своими руками. Есть вероятность ошибиться в числе витков и подборе диаметра проволоки, поэтому не рекомендуется этого делать. Сегодня есть много техники, в которой уже встроены нужный трансформатор. Надо только подобрать подходящий и сделать для него выпрямитель. Для пайки выпрямительного моста применяют полупроводниковые диоды. Их параметры должны совпадать с устройством.
Преимущества аккумуляторных инструментов
Главным плюсом электроинструментов данной категории является автономность. Встроенная аккумуляторная батарея обеспечивает функциональность техники без подключения к стационарной сети питания 220 или 380V. Этой особенностью пользуются для выполнения ремонта в новостройках, в «походных» и других сложных условиях.
Другие преимущества:
- без мешающего соединительного кабеля питания проще выполнять отдельные операции;
- низкое напряжение батарей снижает опасность поражения электрическим током;
- этот инструмент намного тише, по сравнению с альтернативным решением автономности на базе бензинового генератора.
К сведению. Для справедливой оценки следует отметить, что оснащение аккумулятором увеличивает вес, стоимость и сложность.
Виды электрических схем ЗУ
Сделать зарядное устройство для шуруповерта можно самостоятельно. Для этого понадобится схема, набор электронных компонентов, паяльник с расходными материалами и определенные навыки и квалификация.
Перед выбором схемы надо учесть несколько моментов:
- импульсное зарядное устройство легче, компактнее, у него выше КПД, но оно сложнее в сборке и наладке;
- если режим зарядки и контроль ее завершения будет поддерживаться автоматически, то для NiCd, NiMH и Li-ion аккумуляторов алгоритм будет различаться – для первых двух типов зарядка производится стабилизированным током, литий-ионный заряжается по двухступенчатой (в некоторых случаях – трехступенчатой) схеме.

Две ступени заряда литий-ионных батарей.
Номинальный ток ЗУ определяется мощностью элементов силовой цепи (трансформаторов, диодов, транзисторов), и их надо подбирать в соответствии с необходимостью.
На 12 вольт
Схема простого зарядного устройства на 12 вольт, в котором параметры зарядки надо поддерживать вручную, не требует высокой квалификации для сборки и не нуждается в наладке.

Схема простого зарядного устройства.
Ток устанавливается потенциометром, параметры контролируются по амперметру и вольтметру. Трансформатор можно подобрать готовый, с напряжением на вторичной обмотке 12-15 вольт – например, ТПП-48 или ТПП-201-208. Параметры других элементов, от которых не зависит максимальный ток, указаны на схеме. Остальные выбираются в зависимости от потребного выходного тока.
| Элемент | Требуемый ток | Тип |
|---|---|---|
| VD1-VD4 | До 1 А | 1N4001 (1N400X) |
| 1А и выше | 1N5400 (1N540X) | |
| VT1 | До 1 А | КТ815 |
| 1А и выше | КТ829 |
По мере снижения зарядного тока его надо подстраивать до выбранного значения. Если производится зарядка током до 0,2С, процесс может занять до 16 часов, поэтому ручное поддержание параметров крайне неудобно.
Зарядные устройства с автоматическим поддержанием параметров и алгоритмами, соответствующими типу аккумулятора, часто строят на микроконтроллерах. Схемы и прошивки можно найти в сети.

Пример схемы зарядника на микроконтроллере (без прошивки неработоспособна).
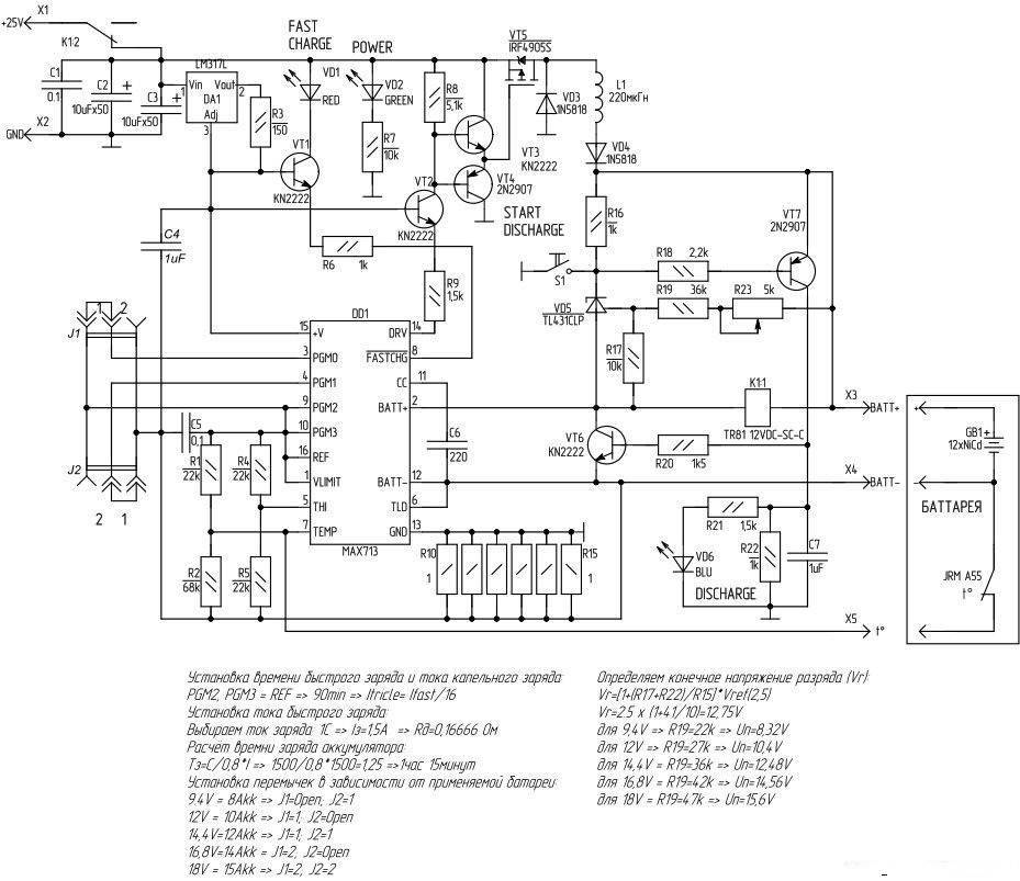
Также зарядные устройства строят на специализированных микросхемах. В качестве примера приведена схема зарядного устройства на MAX713 для никель-кадмиевых аккумуляторов. Очевидно, что схема достаточно сложна, но она универсальна (для различных напряжений), имеет режим тренировочного цикла и обеспечивает оптимальный режим зарядки, а также своевременное ее завершение. Это приводит к увеличению срока службы батарей.
Зарядное устройство для никель-кадмиевых аккумуляторов.
На 18 вольт
Принципиально схемы зарядных устройств для шуруповертов на 18 вольт не отличаются от 12-вольтовых. В большинстве случаев они приводятся к нужному номиналу настройкой параметров или (как в приведенной выше импульсной схеме) переустановкой перемычек. В схеме простого зарядного устройства достаточно применить трансформатор с большим выходным напряжением. Так, ТПП-209 имеет обмотку с напряжением 20 вольт. При его использовании можно заряжать 18-вольтовые аккумуляторы.
Виды зарядных устройств
Популярность шуруповёрта вызвана тем, что он упрощает процесс закручивания или выкручивания различного крепёжного элемента. Характеризуясь мобильностью и небольшими размерами, он незаменим при сборке мебельных конструкций, разборке техники, кровельных и других строительных работах. Своей мобильностью инструмент обязан входящим в его конструкцию аккумуляторным батареям.
Зарядка аккумулятора шуруповёрта происходит двумя способами: встроенным или внешним зарядным прибором. Встроенное ЗУ позволяет заряжать батарею, не извлекая её из шуруповёрта. Схема восстановления ёмкости расположена непосредственно вместе с аккумулятором. В то время как выносное подразумевает их извлечение и установку в отдельное приспособление для заряда. Различают ЗУ по типу восстанавливаемых батарей. Применяемые аккумуляторы бывают:
- никель-кадмиевые (NiCd);
- никель-металл-гидридные (NiMH);
- литий-ионные (LiIon).
Конечная стоимость шуруповёрта не в последнюю очередь зависит от типа используемых батарей и возможностей зарядного устройства. ЗУ выпускаются на 12 вольт, 14,4 вольта и 18 вольт. Кроме этого, ЗУ разделяются по возможностям и могут иметь:
- индикацию;
- быструю зарядку;
- разный тип защиты.
Наиболее используемые ЗУ используют в работе медленный заряд, обусловленный малым током. Они не содержат в своей конструкции индикацию работы и не отключаются автоматически. Это более справедливо к встроенным приборам восстановления ёмкости. ЗУ, построенные на импульсных схемах, обеспечивают возможность ускоренного заряда. Они автоматически отключаются по достижению требуемой величины напряжения или в случае возникновения аварийной ситуации.
Типы применяемых батарей
Никель-кадмиевые аккумуляторы не испытывают проблем при заряде в ускоренном режиме. Такие батарейки обладают высокой нагрузочной способностью, невысокой ценой и спокойно переносят работы при минусовой температуре. К недостаткам относят: эффект памяти, токсичность, большую скорость саморазряда. Поэтому перед тем, как заряжать такого типа аккумулятор, его необходимо полностью разрядить. Батарея имеет высокую степень саморазряда и быстро разряжается, даже если её не используют. В настоящее время практически не выпускаются из-за своей токсичности. Из всех типов обладают наименьшей ёмкостью.
Никель-металл-гидридные по всем параметрам превосходят NiCd. У них меньше величина саморазряда, меньше выражен эффект памяти. При одинаковых размерах они имеют большую ёмкость. В их составе нет токсичного материала, кадмия. В ценовой категории этот тип занимает среднее положение, поэтому наиболее распространённый тип ёмкостных элементов в шуруповёрте именно он.
Кроме этого, основной характеристикой аккумуляторных батарей, является их ёмкость. Чем выше этот показатель — тем дольше работает шуруповёрт. Единица измерения ёмкости — миллиампер в час (мА/ч). Конструкция батареи заключается в последовательном соединении элементов питания и помещение их в общий корпус. Для Li-Ion напряжение на одном элементе составляет 3,3 вольта, для NiCd и NiMH — 1,2 вольта.
Способы переделки аккумуляторного шуруповерта в сетевой
Умелые мастера, разбирающиеся в электронике, придумали несколько простых способов переделки аккумуляторного варианта в работающий от сети. Цель любой из этих переделок — обеспечить двигатель устройства необходимым ему для работы напряжением. То есть напряжение в 220 В с переменным током должно преобразовываться в напряжение 12 или 18 В с постоянным. Посмотрим, какие способы есть.
Шуруповерт, запитанный через блок питания от компьютера
Таблица. Способы переделки аккумуляторного шуруповерта
| Способ | Краткое пояснение |
|---|---|
| Подключение через стандартное зарядное устройство | Многие аккумуляторные шуруповерты имеют в комплекте стандартное зарядное устройство, которое уже рассчитано на подключение к электросети, имеет соответствующее напряжение и в целом не требует серьезного вмешательства в конструкцию шуруповерта. Но сам зарядник будет лежать на столе и в некоторых случаях мешать работать. |
| Готовый блок питания, установленный в корпус прибора | Это тоже достаточно простой вариант переделки, предполагающий установку стандартного блока питания в корпус от изжившей себя батареи. Из шуруповерта будет торчать только сетевой шнур. Сложности — необходимость поиска подходящего по размеру блока питания, причем он будет греться внутри корпуса, а значит, работу все равно придется периодически прерывать. |
| Установка самодельного блока питания в корпус | В этом случае блок питания изготавливается своими руками и как в предыдущем случае ставится в корпус. Из устройства торчит только шнур. Но работа сложная: нужно найти подходящие детали и собрать блок. Требуется опыт сбора и пайки микросхем, радиодеталей и т.д. |
| Использование внешнего блока питания | Простой вариант, предполагающий подключение шуруповерта к подходящему по параметрам блоку питания. Сложности есть — нужно разбирать прибор и понимать, как правильно подключиться к его схеме. А также в некоторых случаях непросто отыскать подходящий блок питания. |
| Применение блока питания от компьютера | Вариант достаточно простой — инструмент подключается к компьютерному блоку. Но это габаритный элемент, который занимает много места. Но зато такой блок найти легко — подойдет практически любой, если он имеет мощность от 300 Вт. |
В любом случае для переделки шуруповерта потребуются изолента, блок питания, гибкий медный провод сечением 2,5-4 мм. Также не забудьте добыть паяльник и припой. Изоленту можно заменить термоусадочной трубкой подходящего к проводу диаметра. А, чтобы зачистить контакты, нужен монтажный нож. Отвертка пригодится для разбора корпуса старого аккумулятора и самого шуруповерта.
Переделка аккумуляторного шуруповерта — задача не самая сложная и уж точно интересная
Как переделать шуроповерт на работу от сети 220 V
Поделюсь практическим примером, как я переделал свой шуруповерт. Можно ли подключить БП от этого шуруповёр
Такие блоки имеют в комплекте кнопку включения. Дополнительное которым владеют игровые слоты – наличие вентилятора остывания не продвинутой бухгалтерской системы защиты от перегрузки. Если вы станете прятать источник питания в прекрасный корпус – не забудьте бросить отверстие для вентиляции.
Подключение очень обычное. Темный провод (-), желтоватый провод (12V).
Ограничения – шуруповерт с напряжением питания выше 14 вольт, работать не будет.
Использование зарядного устройства для автомобильного аккумулятора. Принцип тот же, что не с применением компьютерного блока питания. Надо приобрести старый блок заряда для стартерных батарей. Современная мода на компактные импульсные зарядники оставила за бортом аналоговые линейные приборы, с ручной регулировкой напряжения и тока заряда. Поэтому такой прибор можно приобрести на автомобильном рынке за символическую стоимость.
Хорошо, если напряжение можно регулировать плавно – в таком случае, ваш импровизированный блок питания подойдет к любому шуруповерту. Переделка его на сетевой инструмент сводится к подключению входа электромотора к силовым клеммам зарядного устройства.
Изготовление самодельного блока питания. Если вы знакомы с принципами построения электрических схем – можно самостоятельно изготовить блок питания. Схема, дающая общие понятия – на иллюстрации.
Трансформатор можно подобрать от старого лампового телевизора, или другой бытовой техники. Мощность по 220 вольтам 250-350W. Главное, блок питания – донор не должен быть импульсным.
Напряжение на вторичной обмотке 24-30 вольт. Вторичная обмотка выполняется из провода соответствующего сечения. Впрочем, если ток выходной обмотки будет не менее 15 ампер (см. спецификацию трансформатора) – беспокоиться не о чем. После потерь на диодном мосту (1-1,5 В на диоде) вы получите требуемое значение на выходе.
Если вы имеете электротехническое образование – произведите расчет самостоятельно. Или практическим способом: подключив в качестве нагрузки лампу накаливания 220 вольт 100W, замерьте напряжение на выходе. Если оно превышает потребности шуруповерта – уменьшите количество витков вторичной обмотки трансформатора.
Техника безопасности и меры предосторожности
Основные требования по технике безопасности во время зарядки источников питания инструмента от нестандартных зарядных блоков:
- Для зарядки аккумуляторов инструмента используется постоянный ток.
- Подключение выполняется кабелями с защитным изолятором, необходимо предусмотреть надежную фиксацию электропроводки на контактных штекерах батарей.
- При восполнении емкости элементов происходит нагрев, сопровождаемый выделением газов. Элементы аккумуляторных банок оборудованы аварийными клапанами, но потекший компонент не пригоден к дальнейшей эксплуатации.
- Рекомендуется выполнять работы в проветриваемом помещении, глаза и руки предохраняются с помощью средств индивидуальной защиты. При перегреве корпуса, появлении дыма или следов электролита на корпусе банки зарядка немедленно прекращается. Повторное подключение выполняется после выяснения причин неисправности.
- Подсоединение адаптеров питания, не предназначенных для зарядки батареи шуруповерта, является крайней мерой. Из-за несоответствия токовых параметров компоненты цепи работают с перегрузкой, что вызывает повышенный нагрев и возгорание. Постоянное использование неоригинальных зарядных блоков не рекомендуется.
Что делать, если аккумулятор не заряжается или не держит заряд
В данном случае, вариантов немного: либо причина неисправности кроется в зарядном устройстве, либо «барахлит» сам шуруповерт. Также и аккумуляторный блок со временем может исчерпать свой ресурс и нуждаться в замене. Для того чтобы выяснить причину, необходимо внимательно осмотреть как сам инструмент, так и его аккумулятор вместе с ЗУ.
Часто причина слабой зарядки аккумулятора заключается в том, что контакт между шуруповертом и его зарядником ослабевает вследствие разгибания клемм. Чтобы устранить эту неполадку, достаточно будет просто разобрать зарядник и аккуратно загнуть его клеммы обратно.
Не стоит забывать и о такой частой неполадке, как окисление металлических частей самого аккумулятора и зарядника. Постоянное попадание строительной пыли и грязи тоже способствуют слабому поступлению тока заряда от ЗУ к батарее: инструменты заряжаются хуже
Важно не забывать ухаживать за всеми составляющими инструмента для того, чтобы предотвратить ухудшение его работы, протирая металлические контакты и очищая их от загрязнений
В случае, если села сама батарея, можно попытаться «раскачать» ее, как это обычно делается в случае с никель-кадмиевыми элементами. Если это не помогает, придется либо менять аккумуляторный блок полностью, либо осуществить частичную замену его элементов.
О ремонте аккумулятора шуруповерта →
Обычно любой шуруповерт укомплектован двумя идентичными батареями. Если одна из них выходит из строя, при желании можно собрать один работающий аккумулятор из двух, в случае, если емкость стала меньше в обоих. После того как из двух блоков будет собран один работающий, нужно не забыть уравнять показатели емкости элементов, «прокачав» батарею несколькими циклами «заряда-разряда» в течение 3-4 часов.
Можно также попытаться «взбодрить» батарейки по отдельности. Для этого наиболее слабые из них следует подвергнуть зарядке большими токами, после чего собрать аккумулятор обратно и заряжать уже в обычном режиме. Такой метод иногда работает в случае с никель-кадмиевыми аккумуляторами. «Точечная» подзарядка большими токами должна длиться не больше 3-5 секунд, при этом желательно не допускать сильного перегрева элемента во избежание его разрушения.

Что делать, если батарея не заряжается?
Если оборудование не заряжается, это может быть связано с неисправной батареей или поврежденным зарядным устройством. Иногда его клеммы и батарея начинают плохо взаимодействовать для устранения проблем с памятью, контакты разбираются и сгибаются.
Иногда во время разборки обнаруживается, что клеммы окислены или загрязнены. Чтобы устранить проблему, их протирают специальным чистящим средством или спиртом.
Если емкость никель-кадмиевых батарей значительно снизилась, вы можете попытаться разогнать их. Для этого их разбирают, с помощью мультиметра находят неработоспособные элементы и заряжают более высоким током, а затем снова разряжают. Таким образом, емкость можно частично восстановить. Другое решение состоит в том, чтобы разобрать две батареи, удалить неисправные банки и соединить цели. После этого реконструированное устройство заряжается и разряжается несколько раз.
Светодиодный прожектор с блоком питания
Никогда не имел дело с мощными светодиодами и дабы не отставать от современных тенденций было найдено и куплено в Китае 2 светодиода по 30W, точных данных на них не нашел, и чтобы не спалить было решено собрать блок питания с чуть меньшим током на выходе. Конечно же импульсный на моей любимой микросхеме серии TOP. Сказано сделано. Рассчитал в программе PI Expert 9, в процессе расчёта указал, что блок питания для светодиода и поставил стабилизацию по току.
Вытравил плату, намотал трансформатор, все спаял, проверил монтаж и наличие косяков, вроде всё ок. Первый пуск через лампочку 60 ватт, померил напряжение что-то многовато 40 вольт, а светодиод 32-36 вольт, добавил на всякий случай резистор на 5Вт 4 Ом последовательно со светодиодом включил в сеть, все нормально горит. Очень ярко, смотреть невозможно. Померил напряжение — 32 вольта всё нормально, потрогал светодиод — теплый градусов 40 за 10 секунд. Поставил радиатор от пентиума 4, намазал термопастой и прикрутил, предварительно просверлив два отверстия и нарезав резьбу.Корпус блока питания и светодиода пока не готов, но в ближайшее время займусь. Радиатор микросхемы после получаса работы был холодный, т.к микросхема была выбрана с запасом для уменьшения нагрева.
Порадовала себестоимость исполнения устройства — 60 руб светодиод и на 100 руб деталей для блока питания.
Т1 обмотка 1-2: 64 витка проводом 0.2мм 4-3: 7 витков двойным проводом диаметром 0.2мм 8-7: 16 витков проводом 0.4мм
Список радиоэлементов
| Обозначение | Тип | Номинал | Количество | Примечание | Магазин | Мой блокнот |
| U1 | AC/DC преобразователь | TOP244Y | 1 | Поиск в магазине Отрон | В блокнот | |
| U2 | Оптопара | LTV817A | 1 | Поиск в магазине Отрон | В блокнот | |
| U3 | ИС источника опорного напряжения | TL431 | 1 | Поиск в магазине Отрон | В блокнот | |
| D1-D4 | Выпрямительный диод | 1N4006 | 4 | Поиск в магазине Отрон | В блокнот | |
| D5 | Выпрямительный диод | FR106 | 1 | Поиск в магазине Отрон | В блокнот | |
| D6 | Выпрямительный диод | 1N914 | 1 | Поиск в магазине Отрон | В блокнот | |
| D7 | Выпрямительный диод | MUR115 | 1 | Поиск в магазине Отрон | В блокнот | |
| С1 | Конденсатор | 0.1 мкФ 275 В | 1 | Поиск в магазине Отрон | В блокнот | |
| С2 | Электролитический конденсатор | 22 мкФ 400 В | 1 | Поиск в магазине Отрон | В блокнот | |
| С3 | Конденсатор | 2700 пФ 1000 В | 1 | Поиск в магазине Отрон | В блокнот | |
| С4 | Конденсатор | 0.1 мкФ 16 В | 1 | Поиск в магазине Отрон | В блокнот | |
| С5 | Электролитический конденсатор | 47 мкФ 10 В | 1 | Поиск в магазине Отрон | В блокнот | |
| С6 | Конденсатор | 2200 пФ 250 В | 1 | Поиск в магазине Отрон | В блокнот | |
| С7 | Конденсатор | 22 пФ 1000 В | 1 | Поиск в магазине Отрон | В блокнот | |
| С8 | Электролитический конденсатор | 1 мкФ 50 В | 1 | Поиск в магазине Отрон | В блокнот | |
| С9 | Электролитический конденсатор | 120 мкФ 50 В | 1 | Поиск в магазине Отрон | В блокнот | |
| С10 | Электролитический конденсатор | 100 мкФ 50 В | 1 | Поиск в магазине Отрон | В блокнот | |
| С11 | Конденсатор | 0.033 мкФ 100 В | 1 | Поиск в магазине Отрон | В блокнот | |
| С12 | Конденсатор | 0.033 мкФ 50 В | 1 | Поиск в магазине Отрон | В блокнот | |
| R1 | Резистор | 30 кОм | 1 | 2 Вт | Поиск в магазине Отрон | В блокнот |
| R2 | Резистор | 10 Ом | 1 | Поиск в магазине Отрон | В блокнот | |
| R3 | Резистор | 7.15 кОм | 1 | +/- 1 % | Поиск в магазине Отрон | В блокнот |
| R4, R5 | Резистор | 2.4 МОм | 2 | Поиск в магазине Отрон | В блокнот | |
| R6 | Резистор | 6.8 Ом | 1 | Поиск в магазине Отрон | В блокнот | |
| R7 | Резистор | 470 Ом | 1 | Поиск в магазине Отрон | В блокнот | |
| R8 | Резистор | 3920 Ом | 1 | +/- 1% | Поиск в магазине Отрон | В блокнот |
| R9 | Резистор | 442 Ом | 1 | +/- 1% | Поиск в магазине Отрон | В блокнот |
| R10 | Резистор | 1 кОм | 1 | Поиск в магазине Отрон | В блокнот | |
| R11 | Резистор | 140 кОм | 1 | +/- 1% | Поиск в магазине Отрон | В блокнот |
| R12 | Резистор | 11.5 кОм | 1 | +/- 1% | Поиск в магазине Отрон | В блокнот |
| Резистор | 3.9 Ом | 1 | 5 Вт. В схеме не показан | Поиск в магазине Отрон | В блокнот | |
| RV1 | Варистор | 275 В 7 мм | 1 | Поиск в магазине Отрон | В блокнот | |
| Светодиод | 30 Вт | 1 | В схеме не показан | Поиск в магазине Отрон | В блокнот | |
| L1 | Катушка индуктивности | 6 мГн | 1 | Компенсационный трансформатор | Поиск в магазине Отрон | В блокнот |
| L2 | Катушка индуктивности | 3.3 мкГн | 1 | Поиск в магазине Отрон | В блокнот | |
| Т1 | Трансформатор | 1 | Поиск в магазине Отрон | В блокнот | ||
| F1 | Предохранитель | 1 А | 1 | Поиск в магазине Отрон | В блокнот | |
| Добавить все |





































