Распространённый метод восстановления Ni─Cd аккумуляторов?
На тему восстановления Ni─Cd аккумуляторов есть достаточно много статей и видеороликов в интернете. Большинство из них касается восстановления аккумуляторов от шуруповёртов и другого портативного инструмента. Это неудивительно, поскольку такие батареи стоят достаточно дорого и зачастую их ещё нужно поискать. В основном при восстановлении никель─кадмиевых аккумуляторов используется одна методика, которую мы сейчас опишем.
На изображении ниже представлен аккумулятор от шуруповёрта в сборе и его начинка.
Аккумулятор от шуруповёрта
А на следующем фото представлена одна батарейка этой сборки.
Одна Ni-Cd батарейка из аккумулятора
При этом ток должен быть гораздо больше ёмкости батареи (в десятки раз)
Методика восстановления пригодна для никель─кадмиевых аккумуляторов. Не путать с никель─металлогидридными. Опробована она была на моделях рулонного типа. В принципе подходит для батареек любого возраста и даже потёкших. Конечно, чем старше будет аккумулятор, тем меньше шансов будет его восстановить.
Что понадобиться при проведении процедуры восстановления:
- другая рабочая аккумуляторная батарея с сильным током. Это может быть аккумулятор от источника бесперебойного питания, автомобильный аккумулятор и т. п.;
- крокодилы, куски провода. Куски провода должны иметь длину около 10 сантиметров и сечение не менее 1,5 мм2;
- мультиметр для контроля напряжения;
- средства защиты (перчатки, очки).
В идеале следует проводить процедуру на каждой батарейке (1,2 вольта) по отдельности, а не на все сборке сразу. В этом случае процедура восстановления будет проходить эффективнее и вторую батарею можно будет использовать меньшей мощности (вполне хватит стандартной автомобильной АКБ или аккумулятора из источника бесперебойного питания).
Итак, по порядку, что нужно делать:
Находите у восстанавливаемой батарейки (или у всего блока шуруповёрта, если восстанавливаете целиком) плюс и минус;
Затем при помощи куска провода и крокодилов соединяете минусы;
Потом к одному из плюсовых контактов крепится второй кусок провода;
После этого нужно свободным концом провода быстро касаться оставшегося свободным плюсового контакта
Здесь важно делать касания быстро и кратковременно (2─3 касания в секунду). Эта процедура продолжается 3─4 секунды
Важно не допускать приварки провода в месте касания.
Перезапуск аккумулятора
Вообще, рекомендуется касаться проводом не самого вывода батареи, а сначала прикрепить к нему крокодил или пластину. И уже касаться их.
После проведения одного цикла таких касаний делается замер напряжения на восстанавливаемой батарее. Если не появилось, то делаете ещё один цикл. После того, как на батарейке появится напряжение, она ставится на зарядку до набора своей ёмкости. Скорее всего, она будет меньше номинала. Рекомендуется ещё сделать несколько циклов заряд-разряд для тренировки аккумулятора. Подробно о том, как заряжать Ni-Cd аккумуляторы читайте по указанной ссылке.
Почитав отзывы об этом методе восстановления, стало ясно, что он дает лишь кратковременное улучшение состояния батареи. Аккумулятор действительно начинал работать, заряжаться, разряжаться, набирать ёмкость, но впадал некоторое время, «что в кому». Я так понимаю, что это происходит по причине того, что не устранялся источник проблемы. В результате прожига устранялись дендриты, вызывавшие микрозамыкания, и батарейка оживала. Но поскольку состав и объём электролита нарушены, всё возвращалось в исходное состояние.
После поисков в интернете был найден ещё один, более совершенный метод восстановления Ni─Cd аккумуляторных батарей. Советуем также прочитать материал про то, как восстановить Ni─MH аккумуляторы.
Как проверить двигатель и кнопку мультиметром
Чтобы определить работоспособность кнопки и двигателя, используется мультиметр.
Чтобы выполнить диагностику мотора, редуктор и проводку, соединяющую деталь с пусковой кнопкой, отсоединяют, а затем замеряют сопротивление обмотки якоря. Если показания отсутствуют, это сообщает об обрыве обмотки. Если цифры на экране очень низкие – произошло короткое замыкание.
Чтобы проверить мультиметром кнопку, проводку, соединяющую ее входные клеммы с аккумулятором, скручивают, а к выходам подключают щупы тестера. Прибор переводят в режим измерения сопротивления и включают. Если значения на дисплее близки к нулю, деталь исправна. При поломке экран показывает бесконечность.
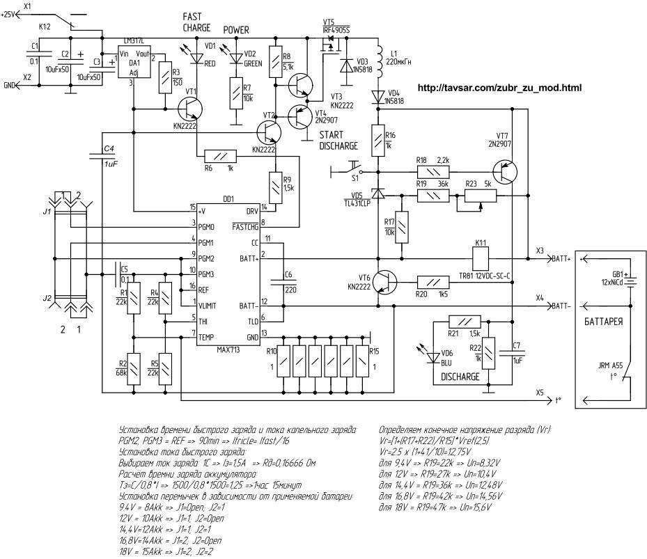
Принцип работы ЗУ
Инструментально это осуществляется при помощи перекидных контактов, приводящихся в действие рычажком реверса.
Хотя этот ток напрямую связан с максимальным рабочим, потому обычно здесь проблем нет.
Кроме того, иногда выводят разъем для балансировки аккумуляторов шуруповерта. В большинстве случаев ремонт трещотки шуруповерта заключается в очистке ее составляющих от загрязнений и в нанесении новой смазки.
Сверление отверстий для литий-полимерного аккумулятора — тоже не проблема. Теперь аккуратненько, вынимаем механизм включения из корпуса, придерживая возвратную пружину.
А чтобы пользоваться шуруповертом, пока аккумулятор будет заряжаться, можно сделать сетевой адаптер. После последней разрядки аккумулятора его отключают от зарядного устройства и хранят без подключения к шуруповерту.
Как сделать что-то самому, своими руками — сайт домашнего мастера
Время работы микросхемы U1 настроено на один час работы, после чего питание снимается с транзистора Q1 и, соответственно, с реле. После такого ремонта кнопка послужит еще какое то время, но все равно придется приобрести новую! Увеличивая величину затяжки, тем самым вы глубже ввинчиваете саморез. Для этого полная разборка шуруповерта не потребуется.
Во время тренировки заряжать аккумулятор следует около 10 часов, чтобы снабдить его максимально возможной энергией. Надеемся, статья была вам полезной. Разборка блока, например, для ремонта аккумулятора шуруповерта Hitachi изображен ниже , очень проста — откручиваем шурупы по периметру и разъединяем корпус. Пониженное переменное напряжение 18V со вторичной обмотки трансформатора поступает на диодный мост через плавкий предохранитель FU1.
Ёмкость штатного аккумулятора — 1 А-ч. Шуруповёрт комплектуется двухсторон- ней битой фото 3.
Собираем 12V аккумулятор шуруповерта на 5 Ah.
Виды зарядных устройств
Популярность шуруповёрта вызвана тем, что он упрощает процесс закручивания или выкручивания различного крепёжного элемента. Характеризуясь мобильностью и небольшими размерами, он незаменим при сборке мебельных конструкций, разборке техники, кровельных и других строительных работах. Своей мобильностью инструмент обязан входящим в его конструкцию аккумуляторным батареям.
Достоинство применения аккумуляторов в возможности их неоднократного использования. Аккумуляторы, отдавая накопленную энергию устройству, периодически сами нуждаются в подзарядке. Для восстановления величины их ёмкости и служат зарядные устройства.
Зарядка аккумулятора шуруповёрта происходит двумя способами: встроенным или внешним зарядным прибором. Встроенное ЗУ позволяет заряжать батарею, не извлекая её из шуруповёрта. Схема восстановления ёмкости расположена непосредственно вместе с аккумулятором. В то время как выносное подразумевает их извлечение и установку в отдельное приспособление для заряда. Различают ЗУ по типу восстанавливаемых батарей. Применяемые аккумуляторы бывают:
- никель-кадмиевые (NiCd);
- никель-металл-гидридные (NiMH);
- литий-ионные (LiIon).
Конечная стоимость шуруповёрта не в последнюю очередь зависит от типа используемых батарей и возможностей зарядного устройства. ЗУ выпускаются на 12 вольт, 14,4 вольта и 18 вольт. Кроме этого, ЗУ разделяются по возможностям и могут иметь:
- индикацию;
- быструю зарядку;
- разный тип защиты.
Наиболее используемые ЗУ используют в работе медленный заряд, обусловленный малым током. Они не содержат в своей конструкции индикацию работы и не отключаются автоматически. Это более справедливо к встроенным приборам восстановления ёмкости. ЗУ, построенные на импульсных схемах, обеспечивают возможность ускоренного заряда. Они автоматически отключаются по достижению требуемой величины напряжения или в случае возникновения аварийной ситуации.
Типы применяемых батарей
Никель-кадмиевые аккумуляторы не испытывают проблем при заряде в ускоренном режиме. Такие батарейки обладают высокой нагрузочной способностью, невысокой ценой и спокойно переносят работы при минусовой температуре. К недостаткам относят: эффект памяти, токсичность, большую скорость саморазряда. Поэтому перед тем, как заряжать такого типа аккумулятор, его необходимо полностью разрядить. Батарея имеет высокую степень саморазряда и быстро разряжается, даже если её не используют. В настоящее время практически не выпускаются из-за своей токсичности. Из всех типов обладают наименьшей ёмкостью.
Никель-металл-гидридные по всем параметрам превосходят NiCd. У них меньше величина саморазряда, меньше выражен эффект памяти. При одинаковых размерах они имеют большую ёмкость. В их составе нет токсичного материала, кадмия. В ценовой категории этот тип занимает среднее положение, поэтому наиболее распространённый тип ёмкостных элементов в шуруповёрте именно он.
Кроме этого, основной характеристикой аккумуляторных батарей, является их ёмкость. Чем выше этот показатель — тем дольше работает шуруповёрт. Единица измерения ёмкости — миллиампер в час (мА/ч). Конструкция батареи заключается в последовательном соединении элементов питания и помещение их в общий корпус. Для Li-Ion напряжение на одном элементе составляет 3,3 вольта, для NiCd и NiMH — 1,2 вольта.
Особенности ремонта двигателя
У шуруповертов применяются двигатели с постоянным током, для изготовления которых применяется цилиндрический корпус с магнитами. В корпусе расположен якорь с обмоткой и щетками. Чтобы проверить двигатель, следует отсоединить редуктор и проводку, которая идет от кнопки, и выполнить замер сопротивления обмотки якоря при помощи тестера. Если отсутствуют показания, то это свидетельствует о том, что есть обрыв, а в случае крайне низкого значения можно говорить о замыкании. Показатели сопротивления необходимо измерять на конце вала и поверхности пластины. Оно должно быть больше нуля. Неисправность якоря приводит к тому, что инструмент может отключиться в процессе работы, также может произойти потеря мощности, искрение и задымление.
Нередко случается так, что если ломается двигатель, то шестеренка может быть исправной. Поскольку многие двигатели с запрессованной шестерней на валу, то снять ее достаточно трудно. Чтобы это осуществить можно воспользоваться специальным съемником или использовать подручные средства. Не используйте для этого плоскогубцы или гвоздодер, так как это чревато изгибанием вала и порчей зубьев шестерни.
- Можно взять профиль или швеллер и сделать на нем продольное сечение при помощи болгарки.
- Вставить вал в разъем канавки перпендикулярным образом к профилю и поддеть шестеренку.
- Положить профиль на два бруска таким образом, чтобы было свисание двигателя.
- Воспользуйтесь гвоздем и молотком чтобы аккуратными движениями сбить шестерню с вала.
- Снятую шестерню нужно надеть на вал нового двигателя, используя для надевания молоток и твердую поверхность.
Ремонт аккумуляторных батарей шуруповертов
Ремонтные работы включают в себя восстановление источников питания или замену банок в аккумуляторе шуруповерта своими руками.
Перед разборкой и ремонтом аккумулятор полностью заряжается штатным зарядным устройством. Восстановление производится в следующей последовательности:
Разборка корпуса
Корпус батареи состоит из двух частей. Встречается соединение на шурупах – в таких случаях разбор не представляет труда. При клеевом соединении необходимо тщательно обстучать киянкой места склейки. По мере разрушения клеевого слоя необходимо прикладывать усилия для разъединения частей. Может помочь острый тонкий нож, который вводится в щель между частями.
Определение дефектных банок
Порядок действий для определения дефектных банок:
- элементы внимательно осматриваются;
- выявляются вздутые, со следами вытекшего электролита на корпусе и т. п., которые невозможно починить, для замены;
- тестером проверяется выходное напряжение на каждой банке. В никель-кадмиевых и никель-металлогидридных элементах должно быть 1,2 V, в литий-ионных – от 3, 6 до 4 V в зависимости от модели. Если аккумулятор эксплуатируется долго, показатели будут меньше, однако снижение не должно превышать 10-20%. Цель проверки – выявить аккумуляторы, имеющие заряд меньше половины от номинала.
Электрическая емкость снижается вследствие неравномерности заряда элементов штатной зарядкой. Устройство отключается, когда температура бочки, на которой установлен термодатчик, достигнет значения полного заряда. Часть элементов при этом могут быть недозаряжены. Это губительно для никель-кадмиевых батарей, так как из-за эффекта памяти после нескольких циклов с неполным зарядом их характеристики значительно ухудшаются.
Восстановление элементов
Алгоритм восстановления банок:
- разряженный элемент подключается с соблюдением полярности к универсальному зарядному устройству, например Imax B6. Прибор проводит зарядку-разрядку основных типов аккумуляторов токами разной силы в автоматическом режиме с постоянным контролем состояния батарей;
- проводится 2-3 цикла полный заряд/полный разряд током, соответствующим типу батареи. Обычно этого достаточно для получения высокого заряда батарейки. Процесс повторяется с другими разряженными элементами. Необходимо помнить, что для устранения эффекта памяти Ni-Cd аккумулятору необходимо 5-6 циклов глубокий разряд/максимальный заряд.
Существуют и другие способы восстановления работоспособности батарей:
- кратковременное воздействие токами, значительно превышающими силу токов зарядки. Утверждается, что таким способом можно быстро восстановить любую «убитую» батарею. Действительно, при импульсном воздействии тока в 10 и более раз превышающего силу тока зарядки Ni-Cd и Ni-MH батареи быстро достигают номинальной емкости. Однако эффект такого воздействия длится 2-3 цикла, затем батарея обычно восстановлению не подлежит.
- добавление внутрь корпуса элемента дистиллированной воды: в корпусе сверлится небольшое отверстие, через него внутрь вводится 1 куб. см. дистиллята, проводится полная зарядка элемента. Через несколько дней проверяется уровень заряда: если он низкий, внутрь вводится еще 1 куб. см. воды и батарея вновь заряжается.
При достижении нормальных показателей емкости и напряжения корпус герметизируется, и аккумулятор готов к работе. Этот способ более эффективен, чем способ зарядки высокими импульсными токами.
Сборка аккумулятора
После того, как ремонт АКБ шуруповерта завершен, батарею можно собирать:
- элементы вставляются в основание корпуса батареи без больших усилий – соединения пайкой не так надежны, как сварные и могут повредиться;
- провода, идущие на клеммы батареи, укладываются без сильных перегибов. Не допускается их соприкосновения друг с другом или с полюсами банок;
- при сборке литиевых батарей плату-контроллер изолируют от элементов прокладкой из картона, полиэтилена и т. п., чтобы избежать короткого замыкания в схеме;
- части корпуса соединяются друг с другом шурупами, если это предусмотрено конструкцией, или с помощью клея. Рекомендуется клей-герметик – соединение получается надежное и герметичное, в при необходимости быстроразъемное.
Общие рекомендации перед проверкой аккумулятора
Непосредственно перед проверкой аккумулятора необходимо четко определить, к какому типу относится элемент питания. В зависимости от этого типа и подход может быть различен. Например, наиболее распространенные никель-кадмиевые батареи отличаются большой чувствительностью к условиям эксплуатации. Нечастые или нерегулярные полные перезаряды значительно снижают емкость аккумулятора и батарея не использует свой ресурс полностью. Более подробно типы аккумуляторов рассмотрим ниже.
Также рекомендуется полностью зарядить аккумулятор перед проверкой. Это позволит сделать более точные выводы о работоспособности устройства. Доказано, что самые точные показатели снимаются под нагрузкой. И полный заряд представляет собой весьма подходящий тип нагрузки.
Перед проверкой необходимо максимально уменьшить влияние «эффекта памяти» на устройство. Так как этот эффект появляется у батарей в случае неправильной эксплуатации, чтобы его устранить, необходимо несколько раз воспользоваться батареей по всем правилам.
Достаточно 3 раза провести циклы заряда/разряда, чтобы влияние эффекта значительно сократилось. Для ускоренного разряда лучше всего использовать лампу накаливания, которую вместе с мультиметром нужно будет подсоединить к аккумулятору.
Если все сделано правильно, то через несколько полных циклов батарея сможет восстановить свою емкость и вновь может быть использована в шуруповерте. Если же операция не помогла, значит проблема была в другом.
Никель-кадмиевый аккумулятор
Самый распространенный тип батарей. Достаточно быстро заряжаются и имеют неплохой объем. Отличаются долговечностью и устойчивостью к внешним воздействиям. Среднее число циклов зарядки/разрядки может достигать 3500. При использовании ускоренных зарядных устройств батарея не изнашивается быстрее и способна служить долгое время. Отдельно стоит отметить дешевизну таких батарей и возможность эксплуатации при температуре ниже нуля.
Но имеется и минусы, главный из которых заключается в так называемом «эффекте памяти». Батареи довольно токсичны в случае неисправности и имеют высокую скорость саморазряда. Из-за токсичности, производители сейчас процент таких устройств стараются стремительно уменьшать.
Чтобы продлить срок службы такого аккумулятора, рекомендуется перед подзарядкой его полностью разрядить.
Литий-ионный аккумулятор
Гораздо более дорогой аналог, который однако имеет ряд неоспоримых преимуществ. Такие аккумуляторы используются в передовых моделях шуруповертов от известных брендов.
У таких батарей большая емкость и куда меньший процент потери заряда по причине саморазряда. Однако такие аккумуляторы строго не рекомендуется перегревать и надолго оставлять полностью разряженными. Это может привести к деградации кристаллов и выходу батареи из строя. При перегреве же есть риск взрыва такого устройства.
Как и первый вид, литий-ионный аккумулятор способен функционировать на морозе.
Как правильно разобрать шуруповерт — инструкция для новичков
Перед тем, как ремонтировать рассматриваемый прибор, его нужно правильно и аккуратно разобрать. Новички не всегда справляются с этой задачей, поэтому будет интересно узнать, как же правильно выполняется разборка. Инструкция по разборке шуруповерта имеет следующий вид:
Разборку нужно проводить на столе, чтобы не растерять составные детали
Изначально нужно выкрутить все винты, которыми крепится корпус устройства
Раскрыть корпус осторожно, чтобы не повредить его. Чтобы исключить повреждение пластиковой конструкции корпуса, можно воспользоваться пластиковой лопаткой
Если после вывинчивания крепежных деталей корпус не разбирается, нужно внимательно осмотреть его внутреннюю конструкцию
В конструкции могут находиться скобы, которые нужно извлечь
После разборки нужно располагать детали в порядке их снятия, чтобы не попутать и собрать прибор обратно

Если внутри имеются признаки окислов, то это означает, что в прибор попадала вода. Высока вероятность того, что причиной неработоспособности устройства является высокая влажность, которая повлекла за собой выход из строя деталей шуруповерта. После разборки инструмента, можно переходить к его ремонту. Видео описание процесса разборки ниже.
Методы определения неисправности батареи
Электрическая цепь АКБ собрана по последовательной схеме, поэтому в первую очередь нужно понять, какой элемент неисправен, так как нарушение работы хотя бы одной банки, влечёт за собой почти полную потерю работоспособности всей батареи. Одновременный выход из строя всех элементов почти невозможен. В связи с этим, необходимо определить деталь схемы, функционирующую с существенными отклонениями от технических параметров.
Метод с использованием мультиметра
Учитывая одинаковый уровень напряжения на всех батарейках цепи, найти неисправный элемент можно, используя прибор для измерения напряжения (мультиметр), который перед этим нужно обязательно переключить его в режим измерения напряжения.
Сама методика определения неисправности выполняется по следующему алгоритму:
аккумулятор необходимо полностью зарядить;
после полной зарядки устройство нужно разобрать. Для этого следует выкрутить несколько фиксирующих винтов. Если батареи сделаны без винтов, придётся аккуратно разделить корпус в местах склейки при помощи ножика. При этом постарайтесь не прикладывать много физических усилий, чтобы не деформировался пластик на корпусе;
с помощью прибора производим поочерёдные замеры напряжения на каждой батарейке. Полученные данные, где напряжение ниже нормы, желательно, записать карандашом на корпусе. Маркировать такие детали необходимо, чтобы в дальнейшем их не спутать с исправными, ведь они по внешнему виду идентичны;
потом собираем батарею и устанавливаем её в шуруповёрт. Разряжаем батарею устройства до заметного понижения мощности
Чтобы это сделать быстрее, можно произвести электроинструментом ряд силовых операций;
после полной разрядки корпус снова разбирается, производятся повторные замеры напряжения на каждом участке цепочки, при этом особое внимание необходимо уделить помеченным деталям;
если произошло падение напряжения на одном из элементов на 0,5-0,7 Вольта, деталь неисправна.
Метод нагрузки
Такая технология выявления неисправности аналогична уже рассмотренной, только в этом случае для разряда батарейки используется лампочка.
Сначала нужно полностью зарядить аккумулятор. Затем подключаем к каждой банке по одной лампочке или моторчик малой мощности. Это позволит определить неработоспособный элемент без электроизмерительного прибора. Визуально подключённая лампочка неработающей банки будет гаснуть гораздо быстрее исправных батареек.
Для получения более точных результатов, можно измерительным прибором определить значение напряжения на каждой банке под нагрузкой. Этот результат будет более точным. Если напряжение на батарейке меньше номинального значения на 0,5-0,7 Вольта, то она считается неисправной.
Что можно отремонтировать своими руками
Чаще всего ломаются у шуруповерта те детали и узлы, которые испытывают самую высокую нагрузку в процессе эксплуатации. Если взглянуть на внутреннее устройство шуруповертов, приведенное на фото, то становится понятно, что инструмент состоит из четырех основных узлов:
- Патрона с редуктором;
- Электрического двигателя;
- Стартовой или пусковой кнопки;
- Аккумуляторной батареи.
Из перечисленных деталей шуруповерта реальному ремонту подлежит любой из компонентов, за исключением батареи. Пластиковый корпус и сетевой шнур, крепление под батарею практически не ломаются, если не ронять инструмент с большой высоты. Но даже в этом случае ремонт трещины можно выполнить полиуретановым или эпоксидным клеем, а шнур просто заменить. Если трещина более 4 см, то вдоль краев разлома нужно просверлить дрелью два ряда отверстий и стянуть тонкой стальной проволокой. Такой способ восстановления корпуса электроинструмента, несмотря на варварский вид, обеспечивает прочность на уровне нового.
Любые попытки ремонта аккумулятора шуруповерта обычно заканчиваются выходом из строя зарядного устройства или двигателя. Не пытайтесь вскрывать цилиндрические ячейки аккумулятора, возможно воспламенение ионно-литиевой начинки.
Ремонт шуруповерта начинается с разборки корпуса. Для этого нужно отвернуть несколько саморезов, после чего корпус шуруповерта разделяется на две половинки, открывая для ремонта доступ ко всем основным узлам электроинструмента.
Нахождение причины поломки и ее устранение
Специалисты разделяют поломки шуруповерта (например, марки Professional) на повреждение электрической и механических частей. Каждый тип имеет свои особенности.

Повреждения электрической части
Трудности возникают из-за невозможности включить прибор или переключить режим, скорректировать обороты. Есть несколько проблем, с которыми сталкиваются мастера:
- Если аккумулятор работает, но при соединении с мультиметром напряжение в клеммах уменьшается, то узлы мотора неисправны. При правильном напряжении нужно проверить кнопку (прозвонить). Если нет писка, то кнопку нужно разобрать и почистить контакты.
- Реверс тоже проверяют мультиметром (один щуп к кнопке, второй к контакту движка). Если при запуске нет сопротивления, то нужно смотреть проводку.
- Щетки двигателя осматривают, повреждений не должно быть больше 60 %.
- Искры в работе появляются из-за износа щеток или тугой работы коллектора (требуется чистка).
Это основные неисправности, дающие представление, как починить шуруповерт Виндзор (или аналогичные устройства).
Неполадки в механических узлах
Распространённые неисправности:
- Устройство несвойственно ему шумит или клинит — требуется замена втулки или подшипников. Возможно, погнулся вал.
- Слабая затяжка — изношена муфта, зубья сточились.
- Посторонний шум также возникает, если оторвался магнит в двигателе или втулки якоря изношены (можно добавить машинное масло, чтобы попробовать исправить проблему).
Стандартная конструкция шуруповерта

регулятор, состоящий из ШИМ генератора
Контакт, размещенный на кнопке, будет перемещаться вдоль платы с учетом надавливания на кнопку. От расположения элемента зависит уровень подаваемого импульса на ключ. В роли ключа выступает полевой транзистор. Принцип работы будет таким: чем сильней нажимаете кнопку, тем выше значение импульса на транзисторе и тем больше напряжение на двигателе.
Реверс вращения двигателя происходит с помощью изменения полярности на клеммах. Этот процесс происходит при помощи контактов, которые переключаются с помощью реверсной ручки.
Как правило, в шуруповертах находятся коллекторные однофазные двигатели постоянного тока. Они довольно надежны, и их очень просто обслуживать. Стандартный шуруповерт состоит из таких элементов:
- корпус;
- щетки;
- якорь;
- магниты.
Редукторная система преобразует высокие вращения вала двигателя в обороты патрона. В шуруповертах используются классические или планетарные редукторы. Первые устанавливаются очень редко. Планетарные редукторы состоят из таких частей:
- солнечная шестерня;
- кольцевая шестерня;
- водило;
- сателлиты.
Солнечная шестерня работает с помощью вала якоря, ее зубцы активируют сателлиты, вращающих водило.
Специальный регулятор устанавливается, чтобы регулировать силу, с которой она подается к шурупу. Как правило, есть 15 положений регулировки.
Частые причины поломки
Каждый электронный компонент может выйти из строя, так как нет ничего вечного. Типовые неисправности:
- перегорел предохранитель;
- неисправен выпрямитель;
- сломался высоковольтный транзистор инвертора.
Если отталкиваться от практики, остальные части зарядного устройства редко выходят из строя, поэтому начать проверку следует с этих трех.
ЗУ необходимо хранить в подходящих условиях, иначе:
- из-за повышенной влажности начинают покрываться ржавчиной паяные соединения, дорожки на плате, выводы, портится изоляция;
- при высокой температуре усугубляется воздействие влажности;
- при низкой температуре могут оторваться выводы от места пайки, образоваться микротрещины в токопроводящих дорожках и корпусах компонентов.
Особенности видов аккумуляторов + (Видео)
Акб – это самая важная деталь в шуруповерте. Если инструмент стал плохо работать, то одной из причин является выход из строя аккумуляторов. Новый аккумуляторный блок стоит чуть меньше самого шуруповерта. И надо сделать серьезный выбор – покупать новый блок или новый инструмент. Не дешевое удовольствие.
Но, если это создал человек, то человек может и отремонтировать. Главное чтобы работала голова, и руки имели правильный исток. Своими руками можно сделать ремонт аккумуляторов, которые после этого проработают еще не один год.
Аккумуляторные батареи состоят из нескольких элементов. Они очень похожи на обычные батарейки, но могут заряжаться. Число циклов заряда определяет основную цену элементов. По видам материала аккумуляторные элементы делятся на:
- никель-кадмиевые;
- литий — ионные;
- никель — металл – гидридные.
В списке они расположены по частоте применения. Никель – кадмиевые элементы (Ni-Cd) наиболее часто встречаются в шуруповертах разных марок. Это объясняется сравнительной дешевизной. Но они имеют низкое отдаваемое напряжение и число циклов заряда – разряда тоже низкое. Напряжение на одном таком аккумуляторе около 1.2 В. Если шуруповерту для работы требуется 12 В, то батарея должна состоять не менее чем из 12 таких элементов.
Они долго хранятся в незаряженном состоянии и не боятся температур. Но уровень саморазряда заставляет часто заряжать батарею, что и является поводом выхода из строя. Экология производства таких аккумуляторов приемлема не в каждой стране мира, но, может быть, поэтому они и дешевле.
Литий – ионные (Li – Ion) аккумуляторы имеют лучшие показатели. Напряжение на отдельном экземпляре достигает 3.6 В. Высокая емкость заряда. Для работы инструмента достаточно четырех штук. Это очень радует руки, потому что инструмент надо и переносить, и держать в руках на любой высоте. Число циклов заряда высокое, но вот цена тоже не низкая. Зато батарея не имеет «памяти» к уровню заряда. И саморазряд небольшой. Словом, все хорошо кроме цены.
Никель – металл – гидридные (Ni – MH) аккумуляторы имеют почти все недостатки предыдущих марок. При качестве никель – кадмиевых элементов их цена равна стоимости литий – ионных. Применение на практике очень низкое там, где есть низкие температуры. Низкие температуры выводят из строя сразу всю батарею.
Отремонтировать батарею аккумуляторов своими руками можно, но это не означает, что можно отремонтировать один элемент. Один элемент можно попытаться восстановить, а если восстановление не помогает, то его надо просто заменить. Заменить можно вообще все элементы батареи. Это самый лучший вариант – купить новые элементы и сделать замену. Но это не всегда быстро, а инструмент нужен сейчас.
Когда придется нести зарядное устройство в сервисный центр
Без помощи специалиста не обойтись в ряде случаев:
- вышел из строя трансформатор. Намотка этого элемента должна быть качественной, и «кустарный» способ не годится;
- на плату не поступают 220 Вт. Мастер заменит шнур;
- если ЗУ выполнено на микроконтроллере. Контроллер то самому можно заменить, но программное обеспечение восстановить не получится. «Прошивку» как раз-таки выполняют мастера сервисов.
Плата зарядного устройства с микроконтроллером.
После ремонта зарядного устройства для шуруповерта, проверяют его работоспособность, и только потом подключают аккумулятор. На ЗУ обратно прикручивают крышку и вставляют его в розетку, после к выводам подключают щупы мультиметра. Далее, отталкиваясь от значений, делают выводы.
Батарея ноутбука подключена, но не заряжается
Одна из наиболее популярных ситуаций среди пользователей – ноутбук работает от сети, но не заряжается. Другими словами, источник питания установлен корректно, ноутбук работает, однако никак не реагирует на заряд. Более того, при наведении указателя на иконку, показывающую уровень заряда, выводится следующее послание: «Подключена, не заряжается». Разберем вероятные причины, почему не заряжается ноутбук.
Основная неисправность может заключаться в неполадках на уровне программного обеспечения, справиться с которыми сможет лишь специалист. Что же можно сделать, не прибегая к помощи работников сервиса? Оптимальный и довольно эффективный метод, который не требует особых навыков, это сбросить настройки BIOS по умолчанию.


























































Всем привет! У меня есть друг, который может заниматься очень многими вопросами и установкой даже септиков. Вот к нему как раз обратился и он мне подсказал что можно мне заказать установку септик танк , его я как раз приобрел вот в этом интернет-магазине по очень даже приятной цене https://septikcity.ru/catalog/tank/.